close
close
sidebar:
Compare Colors

Horizon R6028 Spark Ignitor or Flame Rod, 1/2" NPT, 16.75" Long

No reviews Write a Review
$111.30
SKU:
R6028
Condition:
New
Availability:
Usually Ships in 1 to 2 Business Days
Hurry! Only left

Horizon R6028 Spark Ignitor or Flame Rod

The Horizon R6028 Spark Ignitor or Flame Rod is for use with Eclipse burners with or without flame rod detection. Typically used on Eclipse AH burners. The Horizon spark ignitor or spark plug, lights the burner in direct spark burner configurations. The flame rod detectors can be trimmed to length in the field to sense the flame at varying operating conditions. This will account for varying flame length at low & high fire to minimize nuisance faults.

(Generic Alternative to Auburn I-2-EI-2, Crown I-2-EI-2 & Eclipse 13581)

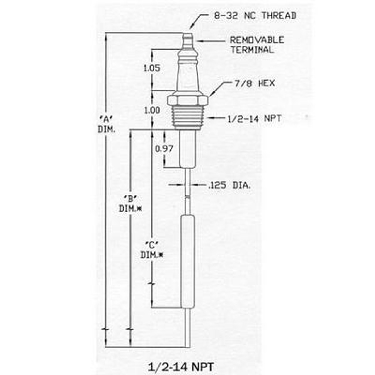
  • "A" Dimension: 19.22" Ref
  • "B" Dimension: 16.75"
  • "C" Dimension: 15.75"

specifications

Customer Reviews

This product hasn't received any reviews yet. Be the first to review this product!
HORIZON R6028 Spark Ignitor or Flame Rod

Horizon R6028 Spark Ignitor or Flame Rod, 1/2" NPT, 16.75" Long

$111.30
Back to top